
气动硬密封蝶阀
- 阀门型号:D643H,D673H
- 通径规格:DN50~DN1200
- 结构形式:三偏心硬密封(对夹式,法兰)
- 阀体材质:碳钢WCB、不锈钢304、不锈钢316
- 公称压力:PN10、PN16、PN25、PN40
- 适用温度:-40℃~450℃
- 应用范围:水、蒸气、油品、酸类腐蚀性等
- 产品特点:寿命长,启闭无摩擦,使用范围广,可用于高温高压
气动硬密封蝶阀简介:
气动硬密封蝶阀属于长寿命、高品质蝶阀,采用三维偏心原理设计,主要由法兰或对夹式硬密封蝶阀与气动执行装置连接组成,阀座和碟板密封面采用不同硬度的金属材料或不锈钢制成,具有耐高温、耐腐蚀、耐磨损等优点。气动硬密封蝶阀采用硬软密封兼容的多层次结构,无论在低温或高温的工况中都能保证优良的密封性能,且阀门在开启和关闭时碟板和阀座基本无摩擦现象,大大提高了蝶阀的使用寿命。气动硬密封蝶阀广泛应用于电力、油品、蒸汽、空气、污水等介质的管道当中,是开关控制或调节流量的最佳装置。

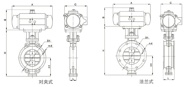
气动对夹式硬密封蝶阀 气动法兰硬密封蝶阀

气动对夹式硬密封蝶阀结构图 气动法兰硬密封蝶阀结构图
气动硬密封蝶阀执行机构:
硬密封蝶阀使用寿命长,但是密封性相对比软密封差。
气动硬密封蝶阀属于长寿命、高品质蝶阀,采用三维偏心原理设计,主要由法兰或对夹式硬密封蝶阀与气动执行装置连接组成,阀座和碟板密封面采用不同硬度的金属材料或不锈钢制成,具有耐高温、耐腐蚀、耐磨损等优点。气动硬密封蝶阀采用硬软密封兼容的多层次结构,无论在低温或高温的工况中都能保证优良的密封性能,且阀门在开启和关闭时碟板和阀座基本无摩擦现象,大大提高了蝶阀的使用寿命。气动硬密封蝶阀广泛应用于电力、油品、蒸汽、空气、污水等介质的管道当中,是开关控制或调节流量的最佳装置。

气动对夹式硬密封蝶阀 气动法兰硬密封蝶阀
气动硬密封蝶阀性能特点:
1、采用三偏心原理结构,阀座与碟板在启闭时几乎无摩擦,提高了使用寿命。
2、结构独特,操作灵活、省力、方便、不受介质压力的高、低影响,密封性能可靠。
3、可分为气动对夹式硬密封蝶阀和气动法兰硬密封蝶阀,满足于不同连接方式,方便安装在管道中。
3、可分为气动对夹式硬密封蝶阀和气动法兰硬密封蝶阀,满足于不同连接方式,方便安装在管道中。
3、密封是采用软硬金属片层叠组成,具有金属密封和弹性密封的双重优点,无论在低温和高温情况下,均具有优良的密封特性。
5、蝶阀设有密封调节装置,长期使用后若密封性能下降,可调节碟板密封圈向阀座靠近即可恢复原有密封性能,大大地提高使用寿命。
气动硬密封蝶阀技术参数:
| 公称通径 | DN50~DN1200(mm) |
| 压力等级 | PN1.0、1.6、2.5、4.0MPa |
| 连接方式 | 对夹式、法兰连接 |
| 密封形式 | 金属硬密封 |
| 驱动方式 | 气源驱动,压缩空气5~7bar(可带手轮) |
| 动作范围 | 0~90° |
| 阀体材质 | 碳钢、不锈钢304、不锈钢316 |
| 工作场合 | 水、蒸气、油品、酸类腐蚀性等(可高压高温场合) |
| 温度范围 | 碳钢:-29℃~450℃ 不锈钢:-40℃~450℃ |
| 控制方式 | 开关模式(开关两位控制,气开、气关式)、智能调节型(4~20mA模拟量信号)、弹簧复位 |

气动对夹式硬密封蝶阀结构图 气动法兰硬密封蝶阀结构图
气动硬密封蝶阀执行机构:
| 供气压力 | 0.4~0.7MPa |
| 气源接口 | G1/4"、G1/8"、G3/8"、G1/2" |
| 环境温度 | -30~+70℃ |
| 作用形式 | 单作用执行机构:气关式(B)--失气时阀位开(FO);气开式(K)--失气时阀位关(FC) 双作用执行机构:气关式(B)--失气时阀位保持(FL);气开式(K)-- 失气时阀位保持(FL) |
| 可配附件 | 定位器、电磁阀、空气过滤减压器、保位阀、行程开关、阀位传送器、手轮机构等 |
气动硬密封蝶阀和气动软密封蝶阀的区别:
1、软密封使用于低压-常压,硬密封可使用于中高压工况。
2、软密封用于低温,常温环境,硬密封可用于低温、常温、高温等环境。
2、软密封用于低温,常温环境,硬密封可用于低温、常温、高温等环境。
3、软密封蝶阀多为中线型结构,硬密封一般是单偏心、双偏心和三偏心蝶阀结构。
4、软密封蝶阀比三偏心硬密封蝶阀密封性能比较好,但三偏心蝶阀在高压高温环境下可以保持良好的密封。
气动硬密封蝶阀和气动软密封蝶阀的优缺点:
硬密封蝶阀使用寿命长,但是密封性相对比软密封差。
软密封蝶阀的优点是密封性能好,缺点是容易老化、磨损、使用寿命短。
软密封蝶阀多适用于含腐蚀性等常温管路做启闭及调节,硬密封蝶阀多用于供热、供气、及煤气、油品、酸碱等环境。
