
防爆气动蝶阀
- 阀门型号:FBD671X,FBD641X,FBD673H,FBD643H
- 通径规格:DN50~DN1200
- 结构形式:中线型,三偏心(对夹式,法兰)
- 阀体材质:铸钢WCB、不锈钢304、不锈钢316
- 公称压力:PN6、PN10、PN16、PN25、PN40
- 适用温度:-40℃~450℃
- 应用范围:可燃气体、气体、液体、粉尘等介质
- 产品特点:启闭快,可远程控制,适用于易燃易爆的场所
防爆气动蝶阀简介:
防爆型气动蝶阀附件可选:
防爆气动蝶阀主要由气动执行机构和蝶阀组成,另加附件防爆电磁换向阀、防爆限位开关、防爆定位器、手操机构等,按连接形式不同可分为法兰式与对夹式,根据使用条件选用不同的密封材质,分为硬密封(高温高压)和软密封(常温常压)。气动防爆蝶阀主要用来做截断介质使用,亦可根据工况需要装配上阀门定位器,输入4-20mA模拟量及0.4-0.7Mpa气源压力对介质流量、压力等进行调节控制。

气动法兰防爆蝶阀 气动对夹式防爆蝶阀
防爆气动蝶阀应用范围:
气动防爆蝶阀适用于易燃易爆的气体、液体、粉尘等介质,且防爆等级为EXdII BT4隔爆型。可广泛用于给排水、污水、水处理环保、食品、供暖、燃气、船舶、水电、冶金、能源系统以及轻纺等行业。
防爆气动蝶阀技术参数:
| 公称通径 | DN50~DN1200(MM) |
| 公称压力 | PN0.6、1.0、1.6、2.5MPa |
| 连接方式 | 对夹式或法兰连接 |
| 驱动形式 | 气动控制(气源驱动,压缩空气4~7bar) |
| 密封材质 | 软密封(≤180℃)、金属密封(≤450℃) |
| 动作范围 | 0~90° |
| 泄露量 | 按GB/T4213-92,为Kv值的10-4,软密封:零泄漏 |
| 阀体材质 | 碳钢、不锈钢304、316 |
| 作用方式 | 单作用(常开,常闭)、双作用(气开,气关) |
| 控制形式 | 开关型(开关两位控制)、调节型(定位器4-20mA模拟量控制) |
防爆型气动蝶阀附件可选:
回讯器:也叫限位开关,远程反馈开关信号 (普通型、防爆型可选);
电磁阀:双作用选二位五通、单作用选二位三通(普通、防爆;多种电压可选);
三联件:可对气源起稳压、过滤作用;
手轮机构:在气源故障情况下,转动手轮机构,可实现手动开、关阀;
电-气定位器:输入4~20mA信号,实现阀门调节功能(普通、防爆可选)。

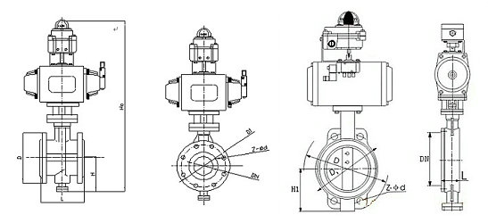
防爆气动法兰蝶阀结构图 防爆气动对夹式蝶阀结构图
防爆气动蝶阀外型结构:

防爆气动法兰蝶阀结构图 防爆气动对夹式蝶阀结构图
防爆气动蝶阀性能规范:
| 供气压力 | 0.4~0.7MPa |
| 气源接口 | G1/4"、G1/8"、G3/8"、G1/2" |
| 环境温度 | -30~+70℃ |
| 作用形式 | 单作用执行机构:气关式(B)--失气时阀位开(FO);气开式(K)--失气时阀位关(FC) 双作用执行机构:气关式(B)--失气时阀位保持(FL);气开式(K)-- 失气时阀位保持(FL) |
| 可配附件 | 防爆定位器、防爆电磁阀、空气过滤减压器、保位阀、防爆行程开关、防爆阀位传送器、手轮机构等 |
