
电动衬氟蝶阀
- 阀门型号:971F46,D941F46
- 通径规格:DN50~DN1200
- 结构形式:中线型(对夹式,法兰)
- 阀体材质:铸钢WCB、不锈钢304、不锈钢316
- 公称压力:PN6、PN10、PN16
- 适用温度:-20℃~180℃
- 应用范围:腐蚀性流体及强酸强碱介质等
- 产品特点:密封性能好,具有超强的耐腐蚀性和耐磨性
电动衬氟蝶阀概述:

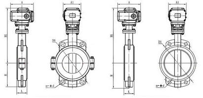
电动对夹式衬氟蝶阀 电动法兰衬氟蝶阀
耐腐蚀电动衬氟蝶阀是由电动执行器和法兰或对夹式衬氟蝶阀组成,蝶阀阀座与密封面衬有氟塑料,具有零泄露、寿命长及超强的耐腐蚀性和耐磨性等优点。电动衬氟蝶阀根据不同工况条件选择不同的衬里阀体,分为全衬氟蝶阀和半衬氟蝶阀,控制方式有开关切断型和智能调节型。电动衬氟蝶阀具有严密的密封性能,且不仅有普通蝶阀的机械强度,又能发挥PTFE的耐腐蚀、耐酸碱的化学特性,在一般常规条件下的工况中,比不锈钢阀体的蝶阀具有更高的性价比。

电动对夹式衬氟蝶阀 电动法兰衬氟蝶阀
电动衬氟蝶阀应用:
电动衬氟蝶阀是在会与介质接触的过流部件(碟板,阀体内壁)衬上一层较厚的氟塑料高分子材料,所以也被称之为电动衬塑蝶阀,适用于各种不同工业管路中液体和气体(包括蒸气)的输送,特别是具有严重腐蚀性、冲刷、磨砺介质的使用场合,如:硫酸、氢氟酸、磷酸、氯气、强碱、王水等具有强腐蚀性的介质,但不适用于有颗粒和温度偏高的工艺介质中。
电动衬氟蝶阀技术参数:
电动衬氟蝶阀性能规范:
| 公称通径 | DN50~DN1200 (mm) |
| 公称压力 | PN0.6、1.0、1.6MPa |
| 连接形式 | 对夹式、法兰式 |
| 驱动方式 | 电动控制AC220V AC380V(可带手轮) |
| 控制方式 | 智能调节型(4-20mA)或开关动作模式 |
| 动作范围 | 0~90° |
| 泄露量 | 按GB/T4213-92,为Kv值的10-4,软密封:零泄漏 |
| 阀体材质 | 碳钢WCB,不锈钢304,不锈钢316,316L |
| 密封圈 | 增强聚四氟乙烯PTFE |
| 适用介质 | 弱腐蚀性流体以及强酸、强碱、王水等任意具有强腐蚀性的介质 |
| 电动衬氟蝶阀适用温度(℃): 1、聚全氟乙烯FEP (F46):-85~150 2、四氟乙烯-乙烯ETFE(F40):-80--220 3、可溶性四氟PFA( FA):-70~200 4、聚四氟乙烯PTFE(F4):-200~180 5、聚偏二氟乙烯PVDF(F2):-70~100 6、改性聚乙烯FRPE(PO):-58~80 不同材料适用于不同温度和不同介质
电动衬氟蝶阀性能特点: |
![]() 电动衬氟蝶阀(全衬氟) 电动衬氟蝶阀(半衬氟) |
1、阀体有不锈钢及其它材质阀体可选,且重量轻,电动开关速度迅速;
2、电动防腐蝶阀密封材料适用寿命长,具有耐老化、耐腐蚀、耐冲刷等特点;
3、可在任何位置安装,维修方便,法兰对夹孔连接适用多种标准;
4、电动耐腐蚀蝶阀密封件可以更换,密封性能可靠,能够达到双向密封零泄漏。
5、电动防腐蝶阀适用于化学介质,阀板上下中孔处,采用球型摩擦面设计,扭矩力更小,密封性能极佳。
电动衬氟蝶阀性能规范:
| 公称通径 | DN(mm) | 50~1200 | ||
| 公称压力 | PN(MPa) | 0.6 | 1.0 | 1.6 |
| 试验压力 | 强度试验 | 0.9 | 1.5 | 2.4 |
| 密封试验 | 0.66 | 1.1 | 1.76 | |
| 气密封试验 | 0.6 | 0.6 | 0.6 | |
| 适用温度 | ≤180℃ | |||
| 适用介质 | 任何具有腐蚀性的介质 | |||

