
电动三通调节阀
- 阀门型号:ZDLQ、ZDLX
- 通径规格:合流阀:DN25~300mm 分流阀:DN80~300mm
- 结构形式:三通铸造阀
- 阀体材质:铸钢(WCB)、不锈钢(304、316、316L)
- 公称压力:PN16、PN40、PN64
- 适用温度:-17℃-450℃(具体见产品详情)
- 应用范围:液体、气体、蒸汽、化工、石油、冶金、电站
- 产品特点:一阀多用,动作灵敏、流量大、调节精度高
电子式电动三通调节阀概述:
ZDLQ/X电子式电动三通调节阀通常分为合流和分流两种形式,合流阀为两进一出,其作用是将两种流体汇合成第三种流体,分流阀为一进两出,将一种流体分成两路流体,从而达到流体混合升温或降温,或流体不等量分流,满足各种不同工况的使用要求。但合流、分流阀只能对应选用,当公称通径和压差较小时合流阀可用于分流场合,当公称通径DN≥80mm和压差较大的分流场合,只能使用分流阀。
电动三通调节阀常用于热交换器的两种介质调节,及简单的配比调节,可一台代替两台单座、双座调节阀使用,还可节省去安装管道、节省投资,占据空间小。采用3810系列或PSL系列直行程电动执行机构和三通调节阀体组成,以电源为动力,接受统一的标准信号0~10mA DC或4-20mA Dc驱使阀门开度与此操作信号相对应,达到对压力、流量、液位、温度等工参数的调节。
电子式电动三通调节阀参数:
电动三通调节阀原理:
电动三调节阀阀体为三通结构,即一进两出(分流型),两进一出(合流型),其中三通合流调节阀用于将两种流体混合成第三种流体,或两种不同温度的同种流体,混合成同一温度流体。而三通分流阀则是将一种流体分成两路流体。
电动三通调节阀执行机构:
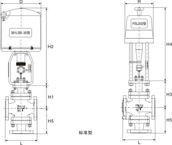
电子式电动三通调节阀尺寸:
ZDLQ/X电子式电动三通调节阀通常分为合流和分流两种形式,合流阀为两进一出,其作用是将两种流体汇合成第三种流体,分流阀为一进两出,将一种流体分成两路流体,从而达到流体混合升温或降温,或流体不等量分流,满足各种不同工况的使用要求。但合流、分流阀只能对应选用,当公称通径和压差较小时合流阀可用于分流场合,当公称通径DN≥80mm和压差较大的分流场合,只能使用分流阀。

电子式电动三通调节阀特点:
电动三通调节阀常用于热交换器的两种介质调节,及简单的配比调节,可一台代替两台单座、双座调节阀使用,还可节省去安装管道、节省投资,占据空间小。采用3810系列或PSL系列直行程电动执行机构和三通调节阀体组成,以电源为动力,接受统一的标准信号0~10mA DC或4-20mA Dc驱使阀门开度与此操作信号相对应,达到对压力、流量、液位、温度等工参数的调节。
电子式电动三通调节阀参数:
电动三通调节阀原理:
![]() |
![]() |
| 分流阀 | 合流阀 |
电动三调节阀阀体为三通结构,即一进两出(分流型),两进一出(合流型),其中三通合流调节阀用于将两种流体混合成第三种流体,或两种不同温度的同种流体,混合成同一温度流体。而三通分流阀则是将一种流体分成两路流体。
电动三通调节阀执行机构:
电子式电动三通调节阀尺寸:



