
电动四通球阀
- 阀门型号:Q946F,Q946H
- 通径规格:DN50~DN500
- 结构形式:四通铸造阀体
- 阀体材质:铸钢(WCB)、不锈钢(304、316、316L)
- 公称压力:PN10、PN16、PN25、PN40
- 适用温度:-40℃~450℃
- 应用范围:液体、气体、油品、浆料及含固体颗粒介质
- 产品特点:可同时切换两种介质的流向,实现一阀多用
电动四通球阀概述:

电动四通球阀是“X”型流道的四通四面座球阀,旋转90°可同时对两种介质的流向进行切换,即方便而迅速,实现一阀多用的效果。电动四通球阀替代了以前四个阀门的复杂操作,解除了所占空间大、成本高、操作烦琐等问题,可实现正反供水切换,每旋转90度,供水方式即能切换一次,操作简单方便。

电动四通球阀特点:
电动四通球阀球体的两条通道为X形布置,四个通道口径均布于球体赤道圆周截面上,当球体沿顺时针旋转90时,能使相对的两个通道实现两两互通。在电站系统中称为双向供水转阀(在石化系统中也称空气换向切换阀),适用于液体、气体、粉尘、浆料及含固体颗粒介质的循环系统,如:电站机组冷却器正反向循环供水系统。
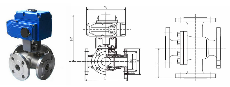
电动四通球阀参数:
电动四通球阀换向原理:

“LL'’型四通球阀只需操作板手或执行器将球体转动90°,同时对两种介质的流向进行切换,即方便而迅速,实现一阀多用的效果。
电动四通球阀可选功能:
电动四通球阀参数:
| 公称通径 | DN15~DN200(mm) |
| 公称压力 | PN1.6、2.5、4.0、6.4MPa |
| 连接形式 | 法兰式 |
| 结构形式 | 四通铸造阀 |
| 驱动方式 | 电动控制(可带手动手轮) |
| 使用温度 | -40℃~450℃ |
| 电源电压 | AC220V、AC380V(其他定制DC24等) |
| 阀体材质 | 碳钢WCB、不锈钢304、316、316L |
| 密封材料 | PTFE(聚四氟乙烯)、PPL(对位聚苯)、金属密封(硬质合金) |
电动四通球阀换向原理:

“LL'’型四通球阀只需操作板手或执行器将球体转动90°,同时对两种介质的流向进行切换,即方便而迅速,实现一阀多用的效果。
电动四通球阀可选功能:
| 可选功能 | |
| 防爆功能 | 防护等级:相当IP65(或IP67)、隔爆标志:ExdⅡBT4 |
| 调节功能 | 输入输出4-20mA、O- 5V.DC、0- 10V.DC |
| 手动功能 | 可装配手动装置,开阀、关阀功能 |
| 相关温度 | 环境温度:-25~+70℃、环境湿度:≤95% |
