
JD745X隔膜式
- 质量稳定:实行全过程质量监控,细致入
微,全方位检测! - 价格合理:高效内部成本控制,减少了开
支,让利于客户! - 交货快捷:先进生产流水线,充足的备货,
缩短了交货期!
我们为您提供全套工程阀门解决方案销售热线:0510-82828883
邮箱:beifava@163.com
地址:江苏省无锡市新吴区新洲路222号
产品概述
隔膜式多功能水泵控制阀是安装在高层建筑给水系统以及其他给水系统的水泵出口处、防止介质倒流、水锤以及水击现象的智能型阀门。该阀兼具电动阀、逆止阀和水锤消除器三种功能,可有效地提高供水系统的安全可靠性。并将缓开、速闭、缓闭消除水锤的技术原理一体化,防止开泵水锤和停泵水锤的产生。只需操作水泵电机启闭按钮,阀门即可按照水泵操作规程自动实现启闭,流量大、压力损失小、隔膜式适用于600口径以下的阀门。
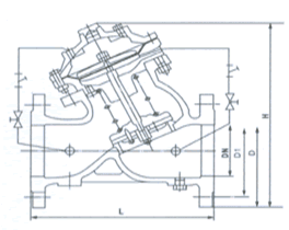
主要外形连接尺寸 单位:mm
|
DN
|
50
|
65
|
80
|
100
|
125
|
150
|
200
|
250
|
300
|
350
|
400
|
450
|
500
|
600
|
|
L
|
205
|
216
|
250
|
320
|
365
|
415
|
500
|
605
|
698
|
787
|
914
|
978
|
978
|
1150
|
|
H
|
293
|
328
|
364
|
418
|
481
|
543
|
673
|
729
|
927
|
957
|
1188
|
1218
|
1256
|
1600
|
产品尺寸

