
KD7X42/3P型蓄能器式快关蝶阀
- 质量稳定:实行全过程质量监控,细致入
微,全方位检测! - 价格合理:高效内部成本控制,减少了开
支,让利于客户! - 交货快捷:先进生产流水线,充足的备货,
缩短了交货期!
我们为您提供全套工程阀门解决方案销售热线:0510-82828883
邮箱:beifava@163.com
地址:江苏省无锡市新吴区新洲路222号
产品概述
在煤气余热发电系统和抽汽供热式汽轮机系统中,本类阀门作为系统安全的保障,得到了日益广泛的应用。其关闭迅速、流通阻力笑、截止可密封等优良性能使其可以代替原来系统设计中电动截止阀和止回阀使用。
用途
本阀主要用在热电厂并联机组和煤气余热发电机组上,用以作为保护系统安全得紧急切断阀门。
特点
1、快速关闭时间可达0.5秒,紧急切断安全可靠。
2、三偏心金属密,封结构启闭轻便灵活,密封零泄露。
3、常温介质可选用双偏心软密封结构,造价低,密封可靠。
4、关阀末端缓冲,有效避免阀门惯性冲击。
5、可以用弹簧实现快关,液可以用蓄能器实现快关,两种形式异曲同工,同样安全可靠。
主要技术参数
|
公称通经(mm)
|
400~1600
|
||||
|
公称压力(MPa)
|
0.6
|
1.0
|
1.6
|
2.5
|
|
|
试验压力
|
强度试验
|
0.9
|
1.5
|
2.4
|
3.75
|
|
密封试验
|
0.66
|
1.1
|
1.76
|
2.75
|
|
|
工作压力(MPa)
|
0.6
|
1.0
|
1.6
|
|
|
|
适用介质
|
水、蒸汽、煤气
|
||||
|
适用温度(℃)
|
软密封:≤80℃;硬密封:≤425℃
|
||||
主要零部件材料
|
零件名称
|
材料
|
|
阀体、蝶板
|
灰铸铁、球墨铸铁、碳素钢
|
|
阀轴
|
不锈钢
|
|
密封圈
|
不锈钢、NBR
|
|
填料
|
NBR
|
执行标准
|
设计参照
|
GB/T 12238、JB/T 5299、JB/T 8527
|
|
法兰标准
|
GB/T 17241、GB/T 9113
|
|
结构长度标准
|
GB/T 12221
|
|
压力试验
|
GB/T 13927
|
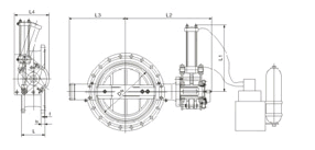
KD7X42/3P型蓄能器式快关蝶阀外形主要外形连接尺寸 单位:mm
|
DN
|
PN
|
L
|
L1
|
L2
|
L3
|
L4 |
法兰连接尺寸
|
|
400
|
0.6
|
216
|
556
|
1449
|
320
|
440
|
GB/T 17241 GB/T 9113 |
|
1.0
|
216
|
556
|
1449
|
330
|
440
|
||
|
1.6
|
216
|
556
|
1449
|
345
|
440
|
||
|
450
|
0.6
|
222
|
556
|
1449
|
370
|
440
|
|
|
1.0
|
222
|
556
|
1449
|
380
|
440
|
||
|
1.6
|
22
|
580
|
1449
|
395
|
490
|
||
|
500
|
0.6
|
229
|
580
|
1449
|
400
|
440
|
|
|
1.0
|
229
|
580
|
1449
|
410
|
490
|
||
|
1.6
|
229
|
580
|
1449
|
425
|
490
|
||
|
600
|
0.6
|
267
|
580
|
1449
|
440
|
490
|
|
|
1.0
|
267
|
625
|
1449
|
460
|
490
|
||
|
1.6
|
267
|
625
|
1820
|
470
|
490
|
||
|
700
|
0.6
|
292
|
625
|
1449
|
436
|
490
|
|
|
1.0
|
292
|
625
|
1820
|
550
|
490
|
||
|
1.6
|
292
|
625
|
1820
|
570
|
545
|
||
|
800
|
0.6
|
318
|
625
|
1820
|
625
|
545
|
|
|
1.0
|
318
|
625
|
1820
|
640
|
490
|
||
|
1.6
|
318
|
625
|
1820
|
660
|
545
|
||
|
900
|
0.6
|
330
|
625
|
1820
|
700
|
545
|
|
|
1.0
|
330
|
625
|
1820
|
710
|
545
|
||
|
1.6
|
330
|
675
|
1820
|
725
|
545
|
||
|
1000
|
0.6
|
410
|
675
|
1820
|
760
|
545
|
|
|
1.0
|
410
|
675
|
2180
|
770
|
610
|
||
|
1.6
|
410
|
675
|
1820
|
790
|
610
|
||
|
1200
|
0.6
|
470
|
675
|
2180
|
875
|
610
|
|
|
1.0
|
470
|
675
|
2180
|
890
|
610
|
||
|
1.6
|
470
|
729
|
2180
|
915
|
610
|
||
|
1400
|
0.6
|
530
|
729
|
2180
|
1000
|
610
|
|
|
1.0
|
530
|
729
|
2180
|
1045
|
720
|
||
|
1.6
|
530
|
781
|
2180
|
1020
|
720
|
||
|
1600
|
0.6
|
600
|
781
|
2180
|
1120
|
960
|
|
|
1.0
|
600
|
781
|
2180
|
1140
|
720
|
||
|
1.6
|
600
|
781
|
2520
|
1170
|
960
|
产品尺寸

