
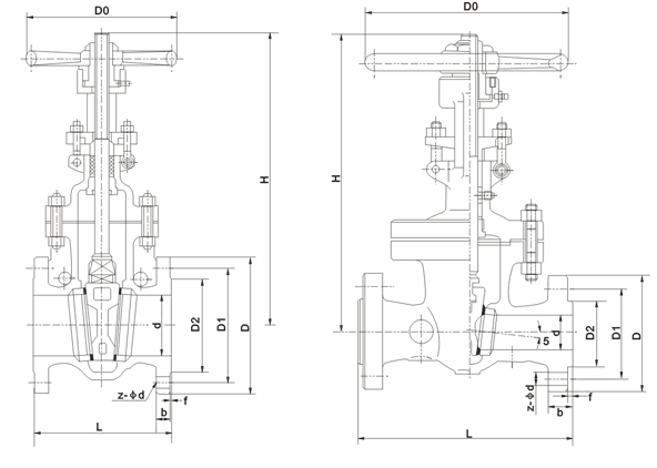
法兰连接API铸钢闸阀
- 质量稳定:实行全过程质量监控,细致入
微,全方位检测! - 价格合理:高效内部成本控制,减少了开
支,让利于客户! - 交货快捷:先进生产流水线,充足的备货,
缩短了交货期!
我们为您提供全套工程阀门解决方案销售热线:0510-82828883
邮箱:beifava@163.com
地址:江苏省无锡市新吴区新洲路222号
产品用途
法兰连接API铸钢闸阀适用于ANSI Class 150~2500,工作温度<600℃的石油、化工、火力电站等各种工况的管路上,切断或接通管路介质。适用介质为:水、油品、蒸汽等。操作方式有:手动、齿轮传动、电动、气动等。
产品结构特点
1.产品设计制造按API标准,密封可靠,性能优良、能与进口设备配套使用。
2.600Lb以上闸板与阀座密封采用司太立(stellite)钴基硬质合金堆焊而成,耐磨、耐高温,耐腐蚀,抗擦伤性能好、使用寿命长
3.阀杆经调质和表面氮化处理,有良好的抗腐蚀性和抗擦伤性。
4.采用楔式弹性闸板结构,中大口径设置滚动轴承,启闭轻松。
5.阀体材料品种齐全,填料、垫片根据实际工况或用户要求合理选配,能适用于各种压力、温度及介质工况。
6.1500LB、2500LB中腔采用压力自紧式密封结构。密封性能随内压升高而升高,可靠性高。
7.倒密封采用不锈钢螺纹连接密封座或本体堆焊奥氏体不锈钢而成,倒密封可靠,填料更换和维修可在不停机情况下进行,方便快捷不影响系统运行。
性能规范
|
型号
|
公称压力
(MPa) |
实验压力
|
工作温度(℃)
|
适用介质
|
||
|
强度(水)(Mpa)
|
密封(水)空气
|
低压密封空气(Mpa)
|
||||
|
Z4IH6C
Z41W6P(R) |
1.6
|
2.4
|
1.8
|
0.6
|
≤200
|
NITRICACID
|
|
硝酸类
|
||||||
|
ACETICACID
|
||||||
|
醋酸类
|
||||||
|
NITRICACID
|
||||||
|
Z41W-25P(R)
|
2.5
|
3.8
|
2.8
|
0.6
|
≤200
|
硝酸类
|
|
Z41W-40P(R)
|
4.0
|
6.0
|
4.4
|
0.6
|
≤200
|
ACETICACID
|
|
Z41W-64P(R)
|
6.4
|
9.6
|
7.0
|
0.6
|
≤200
|
醋酸类
|
主要零件材质
|
阀体/阀盖
|
ZG1Cr18Ni9Ti
|
ZG00Cr18Ni10
|
ZG1Cr18Ni12Mo2Ti
|
ZG00Cr17Ni14Mo2
|
WCB
|
|
零件名称
|
ZG1Cr18Ni9Ti系列
|
ZG00Cr18Ni10系列
|
ZG1Cr18Ni12Mo2Ti系列
|
ZG00Cr17Ni14Mo2系列
|
WCB系列
|
|
闸板
|
ZG1Cr18NI9Ti
|
ZG00Cr18Ni10
|
ZG1Cr18Ni12Mo2Ti
|
ZG00Cr17Ni14Mo2
|
1Cr13
|
|
阀杆
|
1Cr18Ni9Ti
|
ooCr18Ni10
|
1Cr18Ni12Mo2Ti
|
ooCr17Ni14Mo2
|
1Cr13
|
|
填料
|
PTFE编织
|
PTFE编织
|
PTFE编织
|
PTFE编织
|
石墨Graphite
|
|
垫片
|
304L+PTFE
|
304L+PTFE
|
316L+PTFE
|
316L+PTFE
|
石墨+304
Graphite+304 |
|
压盖
|
ZG1Cr181Ni10
|
ZG00Cr18Ni10
|
ZG1Cr18Ni12Mo2Ti
|
ZG00Cr17Ni14Mo2
|
WCB
|
|
填料压环
|
1Cr18Ni9Ti
|
00Cr18Ni10
|
1Cr18Mi12Mo2Ti
|
00Cr17Ni14Mo2
|
1Cr13
|
|
螺栓
|
1Cr171Ni2
|
1Cr171Ni2
|
1Cr171Ni2
|
1Cr171Ni2
|
35CrMoA
|
|
螺母
|
1Cr18Ni9Ti
|
1Cr18Ni9Ti
|
1Cr18Ni9Ti
|
1Cr18Ni9Ti
|
45
|
产品尺寸

