
HD7Q41X型全液控止回蝶阀
- 质量稳定:实行全过程质量监控,细致入
微,全方位检测! - 价格合理:高效内部成本控制,减少了开
支,让利于客户! - 交货快捷:先进生产流水线,充足的备货,
缩短了交货期!
我们为您提供全套工程阀门解决方案销售热线:0510-82828883
邮箱:beifava@163.com
地址:江苏省无锡市新吴区新洲路222号
产品概述
本蝶阀适用于介质为水的泵出口管路上,作为闭路并和止回阀,用来避免和减少管路系统中介质繁荣倒流及产生过大的水锤,以保护管路系统。
用途
本蝶阀适用于介质为水的泵出口管路上,用来避免和减少管路系统中介质繁荣倒流及产生过大的水锤,以保护管路系统,其功能事以一阀代两阀(传统的管路设计中以闸阀配止回阀或以普通蝶阀配止回阀)
特点
1、HD7Q41X型全液控止回蝶阀控制部分采用了全液控形式,以蓄能器取化了重锤部分,减小了能量损耗,传动机构得到简化,占具空间笑,与 一般型蝶阀相近。安装方便 ,即课左、右卧式安装,也可以立式安装。
2、该阀装在泵后,可代替闸阀(蝶阀)和止回阀两台阀门。且流阻系数小,大口径蝶阀流阻系数只比闸阀略高。因此,该类阀门为节能产品。
3、HD7Q41X型阀关闭时,可以根据管道系统的特性或用户要求调整快、慢关段的时间和切换角度,从而达到消除或减小水锤,保护系统作用。
4、如所有行程开关都采用电感式接近开关,移除液压站,防护等级可达IP67。
主要技术参数
|
公称通经(mm)
|
1400-2400
|
1200-2400
|
500-2400
|
500-2400
|
500600
|
|
|
公称压力(MPa)
|
0.25
|
0.6
|
1.0
|
1.6
|
2.5
|
|
|
试验压力
|
强度试验
|
0.375
|
0.9
|
1.5
|
2.4
|
3.75
|
|
密封试验
|
0.275
|
0.66
|
1.1
|
1.76
|
2.75
|
|
|
适用介质
|
水
|
|||||
|
适用温度(℃)
|
≤80℃
|
|||||
|
介质流速
|
3m/s
|
|||||
主要零部件材料
|
零件名称
|
材料
|
|
阀体、蝶板
|
灰铸铁、球墨铸铁、碳素钢
|
|
阀轴
|
不锈钢
|
|
密封圈
|
不锈钢、NBR
|
|
填料
|
NBR
|
执行标准
|
制造标准
|
JB/TB527-97、GB/T 12238-89
|
|
法兰标准
|
GB/T 17241。6998、GB2555-2556-81
|
|
结构长度标准
|
GB12221-89
|
|
检验标准
|
GB/T 13927-92
|
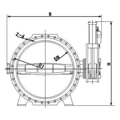
HD7Q41X-6/10/16全液控止回阀蝶阀主要外形连接尺寸
|
DN
|
PN
|
D
|
D1
|
B
|
L
|
A
|
B
|
H
|
|
500
|
1.0
|
670
|
620
|
43
|
229
|
720
|
1650
|
1360
|
|
600
|
1.0
|
780
|
725
|
48
|
267
|
720
|
1730
|
1390
|
|
700
|
1.0
|
895
|
840
|
54
|
392
|
720
|
1800
|
1445
|
|
800
|
1.0
|
1015
|
950
|
58
|
318
|
720
|
1870
|
1485
|
|
900
|
1.0
|
1115
|
1050
|
61
|
330
|
720
|
2070
|
1865
|
|
1000
|
1.0
|
1230
|
1160
|
67
|
410
|
755
|
2165
|
1930
|
|
1200
|
1.0
|
1455
|
1380
|
65
|
470
|
905
|
2265
|
2030
|
|
1400
|
1.0
|
1675
|
1590
|
68
|
530
|
905
|
2665
|
2270
|
|
1200
|
0.6
|
1405
|
1340
|
65
|
470
|
755
|
2365
|
2025
|
|
1400
|
0.6
|
1630
|
1560
|
68
|
530
|
755
|
2665
|
2270
|
|
1600
|
0.6/0.25
|
1830
|
1760
|
68
|
600
|
905
|
2940
|
2380
|
|
1800
|
0.6/0.25
|
2045
|
1970
|
70
|
670
|
905
|
3325
|
2470
|
|
2000
|
0.25
|
2265
|
2180
|
54
|
760
|
905
|
3660
|
2370
|
|
2200
|
0.25
|
2475
|
2390
|
60
|
840
|
1123
|
4325
|
2940
|
|
2400
|
0.25
|
2685
|
2600
|
62
|
910
|
1123
|
4530
|
3000
|
产品尺寸

