
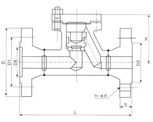
H41H(W)铸钢升降式止回阀
- 质量稳定:实行全过程质量监控,细致入
微,全方位检测! - 价格合理:高效内部成本控制,减少了开
支,让利于客户! - 交货快捷:先进生产流水线,充足的备货,
缩短了交货期!
我们为您提供全套工程阀门解决方案销售热线:0510-82828883
邮箱:beifava@163.com
地址:江苏省无锡市新吴区新洲路222号
产品用途
适用介质:水、蒸汽、油品等
产品结构特点
结构特征:B.B;升降止回或B.B,旋启止回或B.B带弹簧升降止回
主体材料:A105,F5,F11,F22,304,304L,316,316L,LF2等
产品结构

