
BWSC中线型对夹信号蝶阀
- 质量稳定:实行全过程质量监控,细致入
微,全方位检测! - 价格合理:高效内部成本控制,减少了开
支,让利于客户! - 交货快捷:先进生产流水线,充足的备货,
缩短了交货期!
我们为您提供全套工程阀门解决方案销售热线:0510-82828883
邮箱:beifava@163.com
地址:江苏省无锡市新吴区新洲路222号
产品概述
BWSC中线型对夹信号蝶阀是我厂引进国外先进技术而自行开发的中线型蝶阀,它具有结构简单,密封可靠,开启轻便、寿命长、维护方便等优点。故被广泛地应用于给排水、建筑消防等系统各种管道上,尤其在消防管路中。本信号阀可明白无误的显示出阀门开关状态,具有直观、清晰、可靠的反映出消防系统中的工作状态,所以广泛、大量的适用于消防系统中。
主要技术参数
|
公称通经
|
公称压力
|
工作温度
|
密封试验
|
强度试验
|
适用介质
|
|
DN50~400mm
|
1.0/1.6/2.5MPa
|
0℃~-80℃
|
1.1倍公称压力
|
1.5倍公称压力
|
水、油、气
|
主要零件材料
|
序号
|
零件名称
|
材质
|
序号
|
零件名称
|
材质
|
|
1
|
阀体
|
球铁、铸钢
|
7
|
密封圈
|
NBR。EPDM
|
|
2
|
阀轴
|
SUS410/SUS316
|
8
|
圆垫片
|
SUS316/黄铜
|
|
3
|
蝶板
|
球铁喷塑、不锈钢
|
9
|
对开环
|
SUS316/黄铜
|
|
4
|
阀座
|
EPDM,PTEE
|
10
|
挡圈
|
弹簧钢
|
|
5
|
衬套
|
青铜,聚四氟乙烯
|
|
|
|
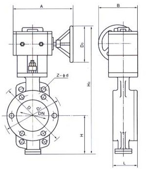
WBSX消防专用信号蝶阀主要外形连接尺寸 单位:mm
|
DN
|
50
|
65
|
80
|
100
|
125
|
150
|
200
|
250
|
300
|
350
|
400
|
|
H
|
268
|
287
|
309
|
342
|
376
|
410
|
495
|
565
|
849
|
985
|
1109
|
|
H1
|
70
|
76
|
86
|
104
|
118
|
132
|
167
|
198
|
239
|
267
|
309
|
|
L1
|
43
|
46
|
46
|
52
|
56
|
56
|
60
|
68
|
68
|
78
|
102
|
|
L2
|
32
|
47
|
65
|
91
|
112
|
146
|
194
|
242
|
292
|
325
|
380
|
|
L3
|
245
|
245
|
245
|
245
|
245
|
245
|
400
|
400
|
400
|
400
|
431
|
|
Ф1
|
152
|
152
|
152
|
152
|
152
|
152
|
300
|
300
|
305
|
305
|
290
|
产品尺寸

