
0927膜片电磁阀
- 质量稳定:实行全过程质量监控,细致入
微,全方位检测! - 价格合理:高效内部成本控制,减少了开
支,让利于客户! - 交货快捷:先进生产流水线,充足的备货,
缩短了交货期!
我们为您提供全套工程阀门解决方案销售热线:0510-82828883
邮箱:beifava@163.com
地址:江苏省无锡市新吴区新洲路222号
适用介质
适用介质:水、气、油
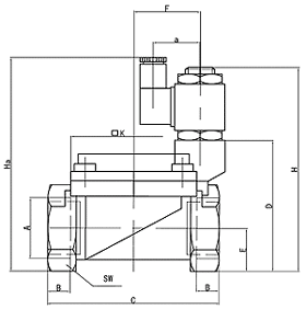
产品规格
| 型号 | 0927100 | 0927200 | 0927300 | 0927400 |
| 使用流体 | 水、气、油 | |||
| 动作方式 | 先导式 | |||
| 型式 | 常闭式 | |||
| 流量孔径mm | 15 | 15 | 20 | 25 |
| CV值 | 1.70 | 1.70 | 5.10 | 5.35 |
| 接管口径G | 3/" | 1/2" | 3/4" | 1" |
| 使用压力MPa | 0.03~1.6 | |||
| 工作温度℃ | -5~0 | |||
| 使用电压范围 | ±10% | |||
| 本体材质 | 锻黄铜 | |||
| 油封材质 | NBR | |||
| 额定电压V | AC:220、110、36、24? DC:24、12 | |||
产品尺寸

