
HR高温高压圆盘式疏水阀
- 质量稳定:实行全过程质量监控,细致入
微,全方位检测! - 价格合理:高效内部成本控制,减少了开
支,让利于客户! - 交货快捷:先进生产流水线,充足的备货,
缩短了交货期!
我们为您提供全套工程阀门解决方案销售热线:0510-82828883
邮箱:beifava@163.com
地址:江苏省无锡市新吴区新洲路222号
产品特点
阀内部装有自动吹除装置。新型皇冠式阀片、密封极为可靠。蒸汽保温装置,高效节能。可迅速排出设备起动时的空气殛冷凝结水、排量大、漏汽率小。
结构特点
1、阀内部装有自动吹除装置。新型皇冠式阀片、密封极为可靠。蒸汽保温装置,高效节能。
2、可迅速排出设备起动时的空气殛冷凝结水、排量大、漏汽率小。
3、抗蚀性强.动作可靠,经久耐用。
4、在工作压力范围内,无需调整,节能效果显著。
主要用途
用于高温高压的饱和和蒸汽主管和透平机的蒸汽亚临界状态使用。|
产品型号 |
口径 |
连接方式 |
最高允许温度℃ |
阀体材质 |
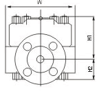
外形尺寸 |
|||
|
L |
H1 |
H2 |
W |
|||||
|
HRF3 |
15 |
法兰 |
500 |
WC6 |
230 |
78 |
35 |
135 |
|
20 |
法兰 |
500 |
WC6 |
230 |
78 |
35 |
135 |
|
|
25 |
法兰 |
500 |
WC6 |
230 |
78 |
35 |
135 |
|
|
HRF3 |
15 |
承插焊 |
500 |
WC6 |
130 |
78 |
35 |
135 |
|
20 |
承插焊 |
500 |
WC6 |
130 |
78 |
35 |
135 |
|
|
25 |
承插焊 |
500 |
WC6 |
130 |
78 |
35 |
135 |
|
|
HRF3 |
15 |
内螺纹 |
500 |
WC6 |
130 |
78 |
35 |
135 |
|
20 |
内螺纹 |
500 |
WC6 |
130 |
78 |
35 |
135 |
|
|
25 |
内螺纹 |
500 |
WC6 |
130 |
78 |
35 |
135 |
|
|
HRF150 |
15 |
法兰 |
500 |
WC6 |
130 |
122 |
58 |
228 |
|
20 |
法兰 |
500 |
WC6 |
400 |
122 |
58 |
228 |
|
|
25 |
法兰 |
500 |
WC6 |
400 |
122 |
58 |
228 |
|
|
32 |
法兰 |
500 |
WC6 |
400 |
122 |
58 |
228 |
|
|
40 |
法兰 |
500 |
WC6 |
400 |
122 |
58 |
228 |
|
|
50 |
法兰 |
500 |
WC6 |
400 |
122 |
58 |
228 |
|
|
HR69H60V |
15 |
承插焊 |
500 |
WC6 |
220 |
122 |
58 |
228 |
|
20 |
承插焊 |
500 |
WC6 |
220 |
122 |
58 |
228 |
|
|
25 |
承插焊 |
500 |
WC6 |
220 |
122 |
58 |
228 |
|
|
32 |
承插焊 |
500 |
WC6 |
320 |
122 |
58 |
228 |
|
|
40 |
承插焊 |
500 |
WC6 |
320 |
122 |
58 |
228 |
|
|
50 |
承插焊 |
500 |
WC6 |
320 |
122 |
58 |
228 |
|
产品结构

