
xs41pt衬氟旋塞阀
- 质量稳定:实行全过程质量监控,细致入
微,全方位检测! - 价格合理:高效内部成本控制,减少了开
支,让利于客户! - 交货快捷:先进生产流水线,充足的备货,
缩短了交货期!
我们为您提供全套工程阀门解决方案销售热线:0510-82828883
邮箱:beifava@163.com
地址:江苏省无锡市新吴区新洲路222号
主要零部件材料
| 零件名称 | 材料 |
| 阀体 | 铸铁、铸钢、不锈钢、内衬F46、F3 |
| 塞子 | 铸铁、铸钢、不锈钢、内衬F46、F3 |
| 阀盖 | 铸铁、铸钢、不锈钢 |
| 填料 | F4 |
设计制造标准
| 技术规范 | |
| 设计标准 | GB12240 |
| 结构长度 | GB12221 |
| 法兰标准 驱动方式 |
JG/T79-94 |
| GB9113.1-26 | |
| 检验试验 | GB/T13927 |
| 驱动方式 | 手动、蜗轮、电动、气动 |
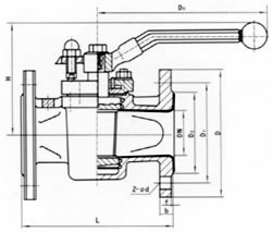
主要外形与连接尺寸
| 公称通径 | PN1。0(Mpa)主要外形尺寸和连接尺寸(mm) | 重量 | ||||||||
| DN | L | D | D1 | D2 | f | b | z-Φd | D。 | H | Kg |
| 20 | 150 | 105 | 75 | 50 | 3 | 14 | 4-Φ14 | 160 | 95 | 7 |
| 25 | 160 | 115 | 85 | 65 | 3 | 14 | 4-Φ14 | 160 | 98 | 8 |
| 32 | 170 | 135 | 100 | 70 | 3 | 16 | 4-Φ18 | 220 | 113 | 10 |
| 40 | 180 | 145 | 110 | 80 | 3 | 18 | 4-Φ18 | 250 | 135 | 15 |
| 50 | 210 | 160 | 125 | 100 | 3 | 20 | 4-Φ18 | 250 | 140 | 18 |
| 65 | 220 | 180 | 145 | 120 | 3.5 | 20 | 4-Φ18 | 300 | 145 | 25 |
| 80 | 250 | 195 | 160 | 135 | 3.5 | 22 | 4-Φ18 | 330 | 205 | 35 |
| 100 | 275 | 215 | 180 | 155 | 4 | 24 | 8-Φ18 | 350 | 240 | 46 |
| 125 | 310 | 245 | 210 | 185 | 4 | 26 | 8-Φ18 | 400 | 260 | 65 |
| 150 | 350 | 280 | 240 | 210 | 4 | 28 | 8-Φ23 | 600 | 290 | 90 |
| 200 | 400 | 335 | 295 | 265 | 4.5 | 32 | 8-Φ23 | 800 | 330 | 160 |
| 250 | 460 | 390 | 350 | 320 | 4.5 | 36 | 12-Φ23 | 900 | 380 | 230 |
产品结构

