
X41F美标蜗轮旋塞阀
- 质量稳定:实行全过程质量监控,细致入
微,全方位检测! - 价格合理:高效内部成本控制,减少了开
支,让利于客户! - 交货快捷:先进生产流水线,充足的备货,
缩短了交货期!
我们为您提供全套工程阀门解决方案销售热线:0510-82828883
邮箱:beifava@163.com
地址:江苏省无锡市新吴区新洲路222号
美标旋塞阀特点
①旋塞阀密封面之间的运动带有擦拭作用、全开时可以完全防止密封面与介质接触所以可用于带悬浮颗粒的介质。
②旋塞阀圆柱形的关闭件通过旋转900就可以达到开启和关闭所以该阀门非常适用快速启闭的场合。
③旋塞阀结构简单易于维修和清理、如紧定式圆维形旋塞阀、拧下紧定螺母、撤下垫圈阀塞便可以从阀体中取出、进行清理和维修。奥氏体不 锈钢制成的该类阀门是食品工业和制药工的最佳选择。
标准STD
|
设计与制造
|
结构长度
|
法兰尺寸
|
对焊连接尺寸
|
压力~温度
|
试验~检验 |
|
API600
|
ANSIB16.10
|
ANS1B16.5a
|
ANS1B16.25
|
ANS1B16.34
|
AP1598
|
压力试验
|
公称压力
|
强度试验
|
水密封试验
|
气密封试验
|
|||
|
MPa
|
Lbf/in2
|
MPa
|
Lbf/in2
|
MPa
|
Lbf/in2
|
|
|
150
|
3.1
|
450
|
2.2
|
315
|
0.5~0.7
|
60~100
|
|
300
|
7.8
|
1125
|
5.6
|
815
|
||
|
600
|
15.3
|
2225
|
11.2
|
1630
|
||
|
900
|
23.1
|
3350
|
16.8
|
2440
|
||
|
1500
|
38.4
|
5575
|
28.1
|
4080
|
||
|
2500
|
64.6
|
9367
|
47.4
|
6873
|
||
主要零件材料及性能
|
阀体、阀盖
|
塞体
|
调节阀
|
调节垫片
|
O形圈
|
工作温度
|
适用介质
|
|
WCB
|
WCB
|
F6
|
PTFE
增强PTFE |
氟橡胶
|
-29~340℃
|
水、蒸汽、天然气、石油、石油产品、硝酸、醋酸
|
|
A105
|
A105
|
F6
|
||||
|
CF8
|
F304
|
F304
|
||||
|
CF3
|
F316
|
F316
|
PTFE
|
耐酸220℃
|
|
|
|
CF8M
|
F304L
|
F304L
|
||||
|
CF3M
|
F316L
|
F316L
|
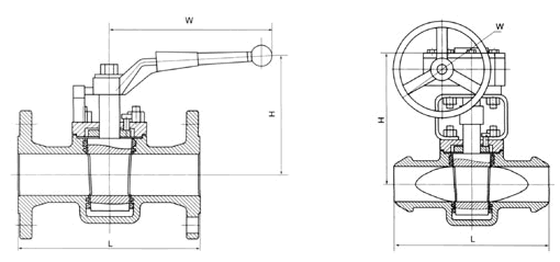
主要外形尺寸
|
磅级
|
尺寸
|
d
|
L
|
D
|
D1
|
D2
|
b
|
z-φd
|
f
|
Lo
|
H
|
X
|
W
|
|
150
|
1/2
|
13
|
108
|
89
|
60
|
35
|
-
|
46
|
2
|
149
|
121
|
-
|
-
|
|
3/4
|
19
|
117
|
98
|
70
|
43
|
-
|
46
|
2
|
149
|
121
|
-
|
-
|
|
|
1
|
25
|
140
|
128
|
79
|
51
|
11
|
46
|
2
|
181
|
124
|
-
|
-
|
|
|
21/2
|
38
|
165
|
127
|
98
|
73
|
14
|
46
|
2
|
229
|
140
|
-
|
-
|
|
|
2
|
51
|
178
|
152
|
121
|
92
|
16
|
49
|
2
|
305
|
159
|
-
|
-
|
|
|
21/2
|
64
|
191
|
178
|
140
|
105
|
17
|
49
|
2
|
460
|
191
|
-
|
-
|
|
|
3
|
76
|
203
|
191
|
152
|
127
|
19
|
49
|
2
|
460
|
191
|
-
|
-
|
|
|
4
|
102
|
229
|
229
|
191
|
157
|
24
|
89
|
2
|
762
|
229
|
-
|
-
|
|
|
6
|
152
|
267
|
279
|
241
|
216
|
25
|
8-22
|
2
|
-
|
536
|
222
|
305
|
|
|
8
|
203
|
292
|
343
|
298
|
270
|
29
|
8-22
|
2
|
-
|
565
|
400
|
460
|
|
|
10
|
254
|
330
|
406
|
362
|
324
|
30
|
12-25
|
2
|
-
|
616
|
400
|
460
|
|
|
300
|
1/2
|
13
|
140
|
95
|
67
|
35
|
14
|
46
|
2
|
149
|
121
|
-
|
-
|
|
3/4
|
19
|
152
|
117
|
83
|
43
|
16
|
49
|
2
|
149
|
121
|
-
|
-
|
|
|
1
|
25
|
159
|
124
|
89
|
51
|
17
|
49
|
2
|
181
|
124
|
-
|
-
|
|
|
21/2
|
38
|
191
|
156
|
114
|
73
|
21
|
4-22
|
2
|
229
|
140
|
-
|
-
|
|
|
2
|
51
|
216
|
165
|
127
|
92
|
22
|
89
|
2
|
305
|
159
|
-
|
-
|
|
|
21/2
|
64
|
241
|
191
|
149
|
105
|
25
|
8-22
|
2
|
460
|
191
|
-
|
-
|
|
|
3
|
76
|
283
|
210
|
168
|
127
|
29
|
8-22
|
2
|
460
|
191
|
-
|
-
|
|
|
4
|
102
|
305
|
254
|
200
|
157
|
32
|
8-22
|
2
|
762
|
229
|
-
|
-
|
|
|
6
|
152
|
403
|
318
|
270
|
216
|
37
|
12-22
|
2
|
-
|
546
|
222
|
305
|
|
|
8
|
203
|
419
|
381
|
300
|
270
|
41
|
12-25
|
2
|
-
|
565
|
400
|
460
|
|
|
10
|
254
|
457
|
445
|
387
|
324
|
48
|
16-29
|
2
|
-
|
616
|
400
|
460
|
产品尺寸

